Request a Quote
PM Planetary SERIESPM PlanetaryGearboxes

Quick Facts
PM Planetary Gearboxes
PM Planetary Gearboxes
Features and Benefits:
- High efficiency
- Multiple ratios available
- Standard NEMA mountings
- Quick installation
- Cost effective
- Low noise gearheads available
Dimensions

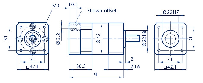
PM17 (NEMA 17)
| PARAMETER | 1-STAGE | 2-STAGE | 3-STAGE |
|---|---|---|---|
| Perm.output torque | 424.8 oz-in | 1062.1 oz-in | 2124.1 oz-in |
| Gearbox efficiency, approx. | 80% | 75% | 70% |
| Max. backlash in Degree | 0.50° | 0.55° | 0.60° |
| Recommended initial speed | 3,000 rpm | 3,000 rpm | 3,000 rpm |
| Operating temperature | -30 °C to +140 °C | -30 °C to +140 °C | -30 °C to +140 °C |
| OUTPUT SIDE WITH BALL BEARING (2RS) | |||
| Max. load, radial | 160N | 230N | 300N |
| Max. load, axial | 50N | 80N | 110N |
| Max. perm. fitting pressure | 320N | 320N | 320N |
| Gearbox length q | 60.2 ± 0.5mm | 73.25 ± 0.5mm | 86.3 ± 0.5mm |
| Weight (for gearbox length q) | 275g | 385g | 500g |
| Shaft OD (mm) | 8 | 8 | 8 |
| Tolerance (mm) | 0.005/ -0.014 | 0.005/ -0.014 | 0.005/ -0.014 |
| Tapped Hole Thread (Shaft center) | M3 | M3 | M3 |
| Available ratios* (* Additional ratios are available. Please contact Lin Engineering) | 4:1 | 14:1 | 51:1 |
| 5:1 | 19:1 | 71:1 | |
| 7:1 | 25:1 | 100:1 | |
| 35:1 | |||

PM23 (NEMA 23)
| PARAMETER | 1-STAGE | 2-STAGE | 3-STAGE |
|---|---|---|---|
| Perm.output torque | 566.4 oz-in | 1699.3 oz-in | 3540.31 oz-in |
| Gearbox efficiency, approx. | 80% | 75% | 70% |
| Max. backlash in Degree | 0.70° | 0.75° | 0.80° |
| Recommended initial speed | 3,000 rpm | 3,000 rpm | 3,000 rpm |
| Operating temperature | -30 °C to +140 °C | -30 °C to +140 °C | -30 °C to +140 °C |
| OUTPUT SIDE WITH BALL BEARING (2RS) | |||
| Max. load, radial | 200N | 320N | 450N |
| Max. load, axial | 60N | 100N | 150N |
| Max. perm. fitting pressure | 500N | 500N | 500N |
| Gearbox length p | 55.3 ± 0.5mm | 69.5 ± 0.5m | 83.7 ± 0.5mm |
| Gearbox length k | 82.0 ± 0.5mm | 96.2 ± 0.5m | 110.4 ± 0.5mm |
| Gearbox length q | 76.6 ± 0.6mm | 90.8 ± 0.6mm | 105.0 ± 0.6mm |
| xTotal length (p+length from bearing flange) | 52.0 x 80.3 mm | 52.0 x 94.5 mm | 52.0 x 108.7 mm |
| Weight (for gearbox length p) | 0.7 kg | 0.9 kg | 1.1 kg |
| Shaft OD (mm) | 12 | 12 | 12 |
| Tolerance (mm) | 0./ -0.018 | 0./ -0.018 | 0./ -0.018 |
| Tapped Hole Thread (Shaft center) | M4 | M4 | M4 |
| Available ratios* (* Additional ratios are available. Please contact Lin Engineering) | 4:1 | 14:1 | 51:1 |
| 5:1 | 19:1 | 71:1 | |
| 7:1 | 25:1 | 100:1 | |
| 35:1 | |||

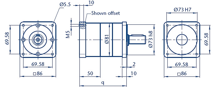
PM34 (NEMA 34)
| PARAMETER | 1-STAGE | 2-STAGE | 3-STAGE |
|---|---|---|---|
| Perm.output torque | 2832.2 oz-in | 8498.6 oz-in | 16997.2 oz-in |
| Gearbox efficiency, approx. | 80% | 75% | 70% |
| Max. backlash in Degree | 0.50° | 0.55° | 0.60° |
| Recommended initial speed | 3,000 rpm | 3,000 rpm | 3,000 rpm |
| Operating temperature | -30 °C to +140 °C | -30 °C to +140 °C | -30 °C to +140 °C |
| OUTPUT SIDE WITH BALL BEARING (2RS) | |||
| Max. load, radial | 400N | 600N | 1000N |
| Max. load, axial | 60N | 120N | 200N |
| Max. perm. fitting pressure | 1500N | 1500N | 1500N |
| Gearbox length q | 95.1 ± 0.5 mm | 116.8 ± 0.5 mm | 138.4 ± 0.5 mm |
| Weight (for gearbox length p) | 1.8 kg | 2.5 kg | 3.2 kg |
| Shaft OD (mm) | 19 | 19 | 19 |
| Tolerance (mm) | 0./ -0.021 | 0./ -0.021 | 0./ -0.021 |
| Tapped Hole Thread (Shaft center) | M6 | M6 | M6 |
| Available ratios* (* Additional ratios are available. Please contact Lin Engineering) | 5:1 | 14:1 | 51:1 |
| 7:1 | 19:1 | 71:1 | |
| 9:1 | 25:1 | 100:1 | |
| 35:1 | |||

Downloads
PM Planetary Configured Datasheet (PDF)
Get the motor you need
Just fill out a Request for a Quote form, and tell us about your application and your needs. One of our applications specialists will review your request, and provide you with a quote promptly.