
LE17 Series
Features and Benefits:
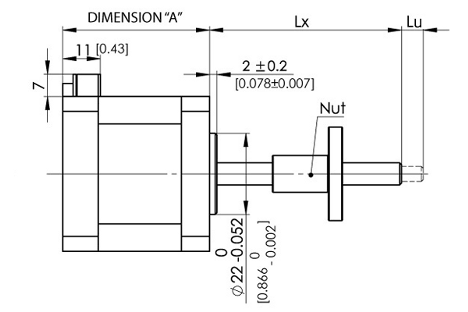
- External Nut Configuration
- Multiple Lead screw options available
- Fast lead times and delivery
Specifications:
- NEMA 17 (1.670 in) Frame Size
- 1.8° Step Angle Stepper Motor
- 1.35 to 1.9 in Motor Length
- 0.157 to 0.413 in Screw Lead

